Značajke proizvoda: nema23 integrirani DC servo motor bez četkica
● Radni napon: DC napajanje 15—50VDC, preporučeni napon je 36VDC
● Maksimalna kontinuirana izlazna struja je 8A, a vršna struja 22A (3 puta veća opterećenja
● Podržavajte diferencijalni i jednostruki impuls + naredba smjera, način upravljanja položajem / brzinom / zakretnim momentom
● Usvojite naprednu tehnologiju upravljanja magnetskom orijentacijom (FOC) i upravljačku tehnologiju vektora PWM vektora u svemiru (SVPWM)
● Mikro korak (impuls / okruglo) može se postaviti prekidačima ProTuner ili DIP (prijenosni omjer)
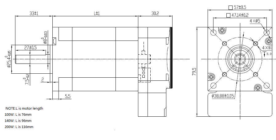
● Može odabrati servo motor bez četkica od 100 W, 140 W i 200 W dc
● analogni ulaz 0-5VDC za brzi način rada i podržavaju IO funkciju kontrole brzine (prilagođeno)
● Podržavajte zaštitu od prenapona, podnaponskih, prenaponskih struja, prekomjernih pogrešaka
● Način jednostrukog / dvostrukog impulsa, dopušteni rub s impulsom
● Upravljačka naredba MAX frekvencija 500KHz (zadano 200KHz)
● Puls, smjer i omogućuju ulaz signala električno kompatibilni 4,5 ~ 28V
● Podržavajte RS232 serijski ulaz, ali za podešavanje morate koristiti poseban USB kabel
● Radite glatko, s velikim okretnim momentom pri srednjim / velikim brzinama; brz odziv i slabo zagrijavanje, niske vibracije.
Primjene proizvoda:
Uspješno implementirani IV57 integrirani hibridni servo sustav u raznoj opremi, kao što su stolni CNC usmjerivači, mali CNC mlinovi, laserski rezači / gravure, zubni mlinovi, roboti, strojevi za pakiranje, elektronička oprema za montažu i inspekciju, oprema za etiketiranje, strojevi za odabir i postavljanje, XY stolovi
Parametri proizvoda:
Tablica modela i izbora pogona | |||
Model pogona | IV57-10 | IV57-14 | IV57-20 |
Nazivna snaga | 100W | 140W | 200W |
Struja vektora preopterećenja | 16A | 18A | 22A |
MAX ubrzanje | 100 okr / min | ||
Točnost kontrole brzine | ± 2 okr / min | ||
napon | 15 ~ 50VDC, preporučujem 36V | ||
Vrijednost zaštite od prenaponskog napona | 68vdc ± 2 | ||
Način upravljanja | 32bitna DSP tehnologija vektora FOC upravljanja | ||
MAX frekvencija impulsa | 500KHz (zadano 200KHz) | ||
Funkcija zaštite | Alarm prenaponske, prenaponske, podnaponske, preko-pogreške | ||
Ulazni signal | Puls, smjer, omogućuju diferencijalni / jednostruki priključni signal, spojni električni spoj 4,5 ~ 28vdc, nema potrebe za spajanjem vanjskog graničnog otpora | ||
Izlazni signal | Izlaz OC signala za alarm / izlaz, 100 mA izlaz, potrebno je spojiti pull-up otpornik, MAX podizajući napon 24 Vdc | ||
Točnost kontrole pogreške u poziciji | ± 1 puls | ||
Mikro-korak | Zadani 4000 / ok, postavite mikro korak putem ProTuner ili DIP sklopki (200-51200) | ||
Veza proizvoda:
Postavljanje proizvoda:
Pluse / REV tablica
Pul / REV | SW1 | SW2 | SW3 | SW4 |
Zadano | NA | NA | NA | NA |
800 | OFF | NA | NA | NA |
1600 | NA | OFF | NA | NA |
3200 | OFF | OFF | NA | NA |
6400 | NA | NA | OFF | NA |
12800 | OFF | NA | OFF | NA |
25.600 | NA | OFF | OFF | NA |
51.200 | OFF | OFF | OFF | NA |
1000 | NA | NA | NA | OFF |
2000 | OFF | NA | NA | OFF |
4000 | NA | OFF | NA | OFF |
5000 | OFF | OFF | NA | OFF |
8000 | NA | NA | OFF | OFF |
10000 | OFF | NA | OFF | OFF |
20000 | NA | OFF | OFF | OFF |
40000 | OFF | OFF | OFF | OFF |
Dimenzija proizvoda:
Popularni tagovi: nema23 integrirani DC servo motor bez četkica, proizvođač, dobavljač, tvornica












